繼電保護測試儀時間繼電器的測量
繼電保護測試儀時間繼電器的測量
3、時間繼電器的測量與上述方法相同。
4、繼電保護測試儀重合閘(以DH-3型重合閘為例)
A、DH-3型操作如下:
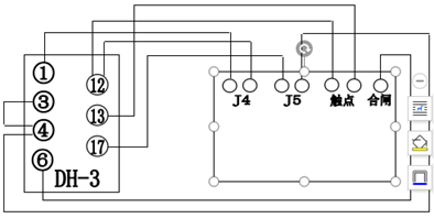
繼電保護測試儀按上圖接線,(3)(4)接J5黑柱(負端),(17)接J5紅柱(正端)
注意:若用ZJ3觸點停止毫秒表時,應注意將ZJ3接到(12)腳的接線斷開,將ZJ3觸點分離開來(見《保護繼電器檢驗》P352頁),把T1旋到IDC0~20A檔,撥上開關S2,調整T4至繼電器電流額定值,撥下開關S2,將T2旋鈕旋至該繼電器電壓額定值。選擇T3至Ⅰ(即該繼電器ZJ3的觸點狀態(tài))。繼電保護測試儀然后將S2、S3開關同時撥上去,充電子表15~25秒后,毫秒表上可讀出充電時間,按一下毫秒表復位健再按下“合閘”健測量重合閘時間,到重合閘繼電器動作時,X2顯示重合閘時間。
B、繼電保護測試儀其它重合閘繼電器可根據上述校驗方法,此處不一一復述。
3、時間繼電器的測量與上述方法相同。
4、繼電保護測試儀重合閘(以DH-3型重合閘為例)
A、DH-3型操作如下:
注意:若用ZJ3觸點停止毫秒表時,應注意將ZJ3接到(12)腳的接線斷開,將ZJ3觸點分離開來(見《保護繼電器檢驗》P352頁),把T1旋到IDC0~20A檔,撥上開關S2,調整T4至繼電器電流額定值,撥下開關S2,將T2旋鈕旋至該繼電器電壓額定值。選擇T3至Ⅰ(即該繼電器ZJ3的觸點狀態(tài))。繼電保護測試儀然后將S2、S3開關同時撥上去,充電子表15~25秒后,毫秒表上可讀出充電時間,按一下毫秒表復位健再按下“合閘”健測量重合閘時間,到重合閘繼電器動作時,X2顯示重合閘時間。
B、繼電保護測試儀其它重合閘繼電器可根據上述校驗方法,此處不一一復述。
- 上一篇: 繼電保護測試儀的中間繼電器
- 下一篇: 繼電保護測試儀面板布置及功能說明





